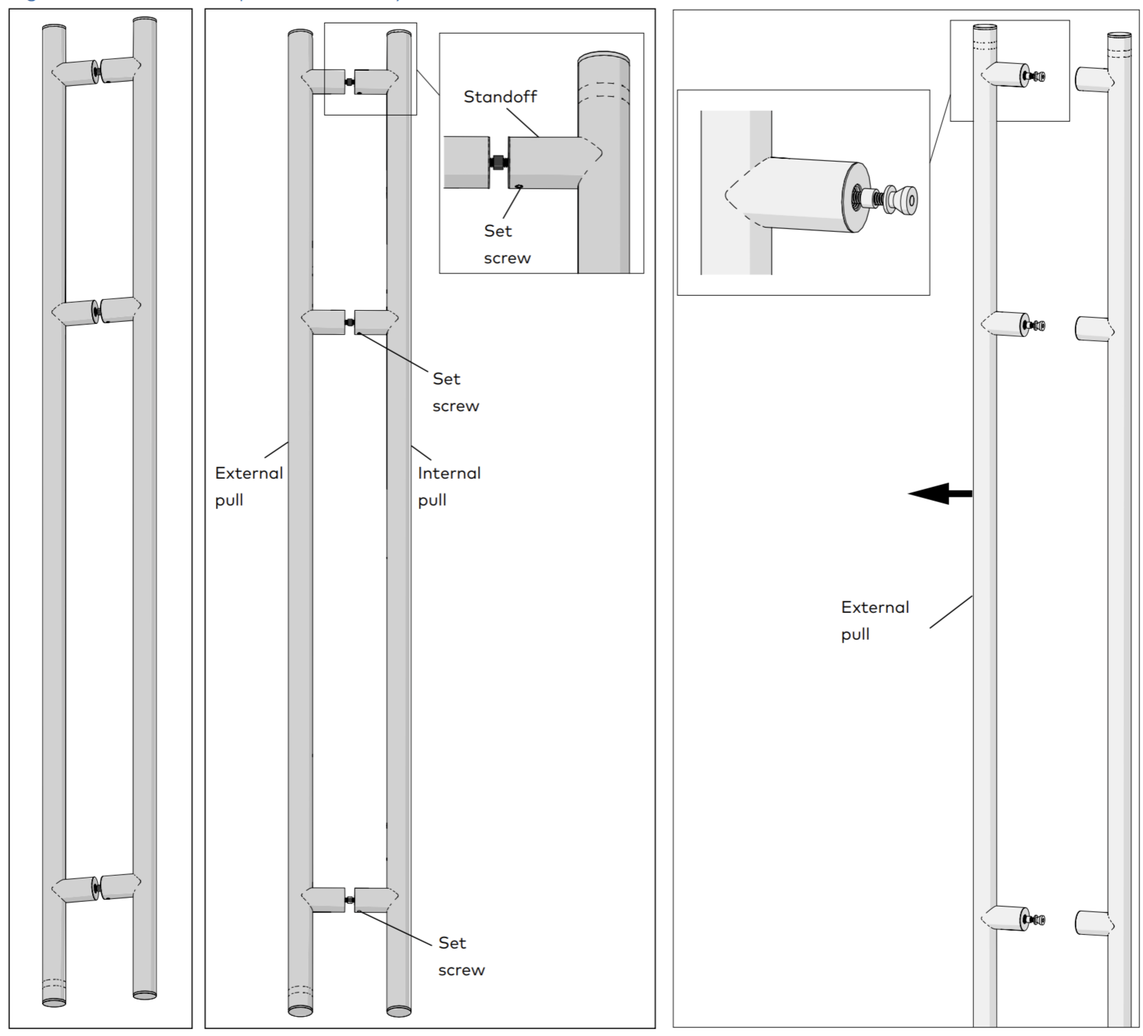
1. Disassemble pulls
Fig. 1 Back to back pulls disassembly |
NOTE: Pulls will come preassembled from factory with glass hardware for 3/8” [10] - 3/4” [19] glass.
Disassemble pulls on a flat surface.
- Using a hex key, loosen set screw in each internal pull standoff.
- Pull external pull assembly away from internal pull assembly.
2. Prepare pull assemblies for glass installation
External pull hardware
| Description | 49 -3/16” | 60” | 72” | 84” | |
| 2 | TG 138 B2B GL pull handle, external | 279-010 | 279-011 | 279-012 | 279-013 |
| 3 | Threaded Insert, 1/2-20 UNF, M6 x 1.0 NLLP | ||||
| 4 | Anchor, threaded, M6-1.0 x 12.5 mm | ||||
| 5 | Bushing, plastic, TG 138 5/8 - 3/4 GL | ||||
| 6 | Gasket, 1-3/8” OD Permanently affixed to standoff at factory | ||||
| 7 | Rod, threaded M6-1.0 x 1-3/4” | ||||
| 8 | 1/4-20 x 1-5/8” socket head cap screw | ||||
Fig. 2 External pull standoff and hardware |
NOTICE
Threaded rods.
Rod, threaded M6-1.0 x 1-3/4”: for 3/8” [10] - 3/4” [19] glass.
Pull hardware (Fig. 3.2.1) is factory assembled to the external pull handle standoffs
- Bushing installation on threaded rod.
- Insure bushing (5) is installed on each threaded rod.
- Check M6 threaded anchors are installed on their threaded rods.
- Threaded anchor (4) must be installed on its threaded rod in approximate location as shown in Fig. 2.
3. Assemble external pull assembly to glass
External pull hardware
| 3 | Threaded Insert, 1/2-20 UNF, M6 x 1.0 NLLP |
| 4 | Anchor, threaded, M6-1.0 x 12.5 mm |
| 5 | Bushing, plastic, TG 138 5/8 - 3/4 GL |
| 6 | Gasket, 1-3/8” OD Permanently affixed to standoff at factory |
| 7 | Rod, threaded M6-1.0 x 1-3/4” |
| 8 | 1/4-20 x 1-5/8” socket head cap screw |
| CAUTION |
|
Fig. 3 Exterior pull standoff against glass |
- Place external pull assembly against glass.
- Align external pull standoffs with holes in glass and insert threaded anchors into holes in glass.
- Push external pull assembly toward glass until standoff gaskets (6) are flush with glass surface.
- Align threaded anchors with glass surface.
- Rotate each threaded anchor (4) until its inner surface is approximately flush with the glass surface (Fig. 3).
This threaded anchor location will ensure that the setscrews in the interior pull handle standoffs are properly aligned with the threaded anchors (Para. 4).
- Rotate each threaded anchor (4) until its inner surface is approximately flush with the glass surface (Fig. 3).
4. Assemble internal pull assembly to glass
| 4 | Anchor, threaded, M6-1.0 x 12.5 mm |
| 5 | Bushing, plastic, TG 138 5/8 - 3/4 GL |
| 6 | Gasket, 1-3/8” OD Permanently affixed to standoff at factory |
| 11 | 1/4-20 x 1/2” set screw, cone point, interior pull |
Fig. 4 Internal pull in installation position Fig. 5 Internal pull installed against glass |
| CAUTION |
|
- Install internal pull assembly against glass.
- Align internal pull standoff gaskets with external pull threaded anchors.
- Move internal pull assembly toward glass until standoff gaskets are flush with glass surface.
- Tighten set screw in each standoff.
- Using a 1/8” hex key, tighten set screws against threaded anchors.
Note that threaded anchor (4) must be positioned on threaded rod so that setscrew cone contacts tapered part of threaded anchor (Fig. 5).
- Using a 1/8” hex key, tighten set screws against threaded anchors.