RCI 970 Illuminated Exit Button Installation Instructions
Instructions
- Slide the colored leads onto the switch terminals according to the diagram below.
- Check all connections to ensure that they are properly attached to the terminals. Fail secure and fail safe have different connections.
- Connect leads to electric lock and check for proper operation, then fasten the plate to a utility box (supplied by others).
“N” narrow version (1-5/8” x 4-3/4”) is compatible with 1-3/4” (or larger) narrow-frame profiles. Blue cap is standard.
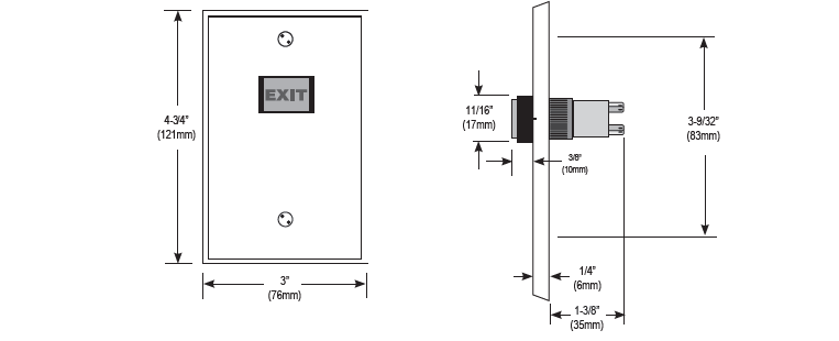
Switch Terminals
2 SPST 1 N/O 1 N/C Rear View | #1 and #2 Normally closed for fail safe systems #3 and #4 Normally open for fail secure systems A and B Pins that power the lamp of push button + - Match voltage marked on back of faceplate & packaging | DMO & DMA
|