Wiring
Wiring Guide
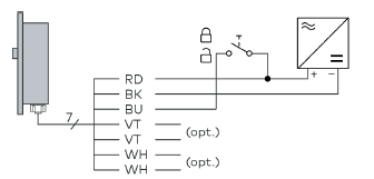
The SL30SGL is supplied with a 7-way wire loom that plugs directly into the lock. The wires are color coded
as per table below, with the power and control wires being essential connections and the four monitor
connections being optional.
| Wire Color | Meaning | Description |
| RED | Power Supply (12 - 24VDC) | Positive connection to DC power supply, “+” |
| BLACK | Negative connection to DC power supply, “-” | |
| BLUE | Control | Switched positive control input |
| VIOLET | Bolt Position Monitor | Normally open contact (NO), closed when the bolt pin is extended (optional) |
| WHITE | Door Position Monitor | Normally open contact (NO), closed when the strike is aligned with the lock (optional) |
Fail Safe Connection
When in Fail Safe configuration, applying positive voltage to the control wire triggers the SL30SGL to lock
(active-high locking signal). In the event of a power cut, the SL30SGL will unlock.
Fail Secure Connection
When in Fail Secure configuration, applying positive voltage to the control wire triggers the SL30SGL to unlock (active-low locking signal). In the event of a power cut, the SL30SGL will remain locked.