Instructions For Lock Mode Change
1. Remove the 4 screws on the bottom.
2. Remove base plate and solenoid.
3. Turn the assembly 180° and re-route wires to cut out.
4. Install into housing and insert the 4 screws.
Overall and Mounting Dimensions
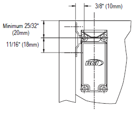
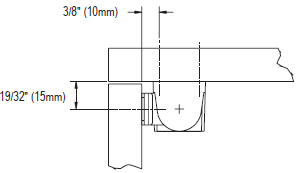
Installation Dimensions
|
Install rubber pad in between the mounting surface adn catch to secure catach position. |
Cabinet Lock Dual Voltage Wiring Diagram