This power supply should be installed in compliance with the National Electrical Code(NFPA 70) CSA C22.1, Canadian Electrical Code, Part 1, and all applicable Local Codes. Installation to be performed by suitably qualified technical personnel.
Description
The DKPS-4A series of power supply/charger supplies a total of 4 amp nominal continuous supply current @ 12/24VDC outputs. It is installed in a large mild steel enclosure capable of accommodating one or two 12AH lead acid rechargeable batteries. The power supply DKPS-4A has been evaluated for: UL294, CAN/ULC-60839-11-1,CAN/ULC-S533.
General Specifications
- Input = 120 240VAC 50-60Hz, 1.8 Amp maximum draw, fuse at 4 Amp
- Output 4 Amps continuous supply current PF 0.6 at nominal 12/24 VDC.
- Built-in dedicated charger for sealed lead acid or gel cell type batteries.
- Maximum battery charging current 1.5Amps (not part of the max output current rating).
- Automatic switch over to stand-by battery upon AC failure or below 69.5 VAC.
- Battery presence detection within 10 seconds.
- Temperature Compensated Battery Charger.(EN54-4 only,not UL evaluated)
- Battery Charger Monitor.
- Battery load test every 48hr.
- Battery test result indication.
- Battery Reversal protection.
- Low Battery indication at 11.40/22.80 Volts.
- Low Battery disconnect at 10/20.2 Volts.
- Low Battery, Battery disconnect, No Battery presence, battery charger trouble reporting. (See FAULT TABLE)
- AC input indication by Green LED. (LED on when AC is present).
- Fault CMOS Relay contact for AC failure
- LEDs display on enclosure door (Green, Yellow, Blue).
- DC output indication by Blue LED, on board and enclosure.
- Overload and short circuit protection on DC output.
- Battery charging leads included.
- Board Dimension: 195mm x 110mm
- Enclosure Dimension: 338 x 448 x 110mm(HP346 for 12AH Battery)
Technical Specifications
| Output Voltage Output Amperage Ripple |
12/24 VDC Regulated. Class E, Unsupervised 4 Apm 50 mVp-p Max |
| Current Charging Battery Charging Voltage |
1.5A Max, and not part of the max output rating 13.8V/27.6V Nominal |
| Operating Temperature | 0 deg. C to 49 deg.C |
Performance Ratings
UL 294 Performance Levels
| Model | Product Type | Line Security | Destructive Attack | Endurance | Standby Power |
|---|---|---|---|---|---|
| DKPS-4A | Power Supply | I | I | IV | III (when used with 12 AH Battery) |
CAN/ULC-60839-11-1 Performance Grades
| Model | Product Type | Grade | Grade Achievement |
| DKPS-4A | Power Supply | 3 (when used with 12 AH battery) | Connect AC & Battery Trouble relay Outputs to a Grade 3 Control Unit, to achieve Grade 3. |
LED Indications
- Green LED - AC indicator
- On when AC Present.
- The AC fail Relay Activites (opens_ within 60 seconds after AC failures.
- Blue LED - DC Power Indicator
- Powered directly from the power supply DC output and indicates output is present.
- Yellow LED - Battery Charging and fault Indicator
- The yellow LED flashing indicates the battery is charging and is also used to indicate various Fault conditions. See the Fault Condition and Indication Table for details.
- Red LED - Battery/Charger test Indicator for Pass or Failure
- The red LED indicates a Battery test Failure or a Battery charger Failure in Conjunction with the Yellow LED to indicate other Fault conditions. See the Fault Conditions and Indication Table for details.
Relay Outputs
| Output | Output type | Description |
|---|---|---|
| AC Fail | Normally Closed Open=Fault |
Trips within 60 Sec After AC Fails CMOS Relay Raing: 30VDC 60mA 16 Ohms |
| Battery Fail | Normally Closed Open=Fault |
Battery Problem CMOS Relay Rating: 30VDC 60mA 16 Ohms |
Fault Condition & Indications
| Fault | LED-G | LED-Y | LED-R | Batt Relay |
AC Relay | LED-B |
|---|---|---|---|---|---|---|
| Battery Reversed or not connected | ON | OPEN | ||||
| Battery Low | ON | OPEN | ||||
| Battery Disconnected | ON | OPEN | ||||
| Battery Test Fail | ON | 5 Rapid Flashes Stop 1 Second Repeat Until Battery Is Replaced |
OPEN | |||
| Battery Test OK | OFF | 3 Flashes 1 Sec ON/OFF |
||||
| Charger Fail | 10 Rapid Flashes 2 Seconds Stop and Repeat Until OK |
OPEN | ||||
| AC Fail | OFF | Open Within 60 Seconds |
||||
| DC Fail/Overload | OFF |
Battery Operating Values
| Parameter | Output | Description |
|---|---|---|
| Battery Disconnect Voltage | 10/20.2V |
When AC is off, the nattery is disconnected when the battery voltage drops below this value. The battery is only reconnected when the AC is restored. |
| Minimum battery voltage to pass battery test | 11.50V 23.0V |
Red LED Flash 1 sec ON/OFF during 2 miutes testing. Battery Fail 5 rapid flashes and 1 sec. pause. Replace battery or batteries. |
| Low Battery Voltage Warning | 11.40V 22.80V |
If the output voltage drops below this value a voltage low warning is generated. See Fault Conditions and Indication Table. |
Optional Temperature Compensated Charging Voltages for EN-54 only, not evaluated by UL
| Temperature Degrees Celsius |
Charger Voltage 12 Volts |
Charger Voltage 24 Volts |
|---|---|---|
| -10 | 14.1 | 28.20 |
| 0 | 14.0 | 28.0 |
| 10 | 13.9 | 27.80 |
| 20 | 13.75 | 27.50 |
| 30 | 13.65 | 27.3 |
| 40 | 13.50 | 27.00 |
| 50 | 13.4 | 26.80 |
| >50 | Charger Off | Charger Off |
Installation Instructions
This power supply should be installed in compliance with the National Electrical Code(NFPA 70), CSA C22.1, Canadian Electrical Code, Part 1 and all applicable Local Codes. Installation to be performed by suitably qualified technical personnel.
- Mount the power supply in the desired location using the 4 mounting holes.
NOTE: For use in Indoor Protected Area with Controlled Environment only. Do not Install Power Supply in Exterior Conditions. - With the Mains power disconnected, connect the leads to the AC Input Terminal Block, respecting the wiring phase and polarity:
Ground/Earth=Green/Yellow, Neutral = Blue (White), Live =Black (Brown). This equipment must be connected to the 120-240 Volt Mains via a readily dedicated accessible external disconnect device with maximum 15 Amp branch protection. Select the operating output DC voltage 12/24 with the jumper SW1. SW1 ON=12VDC, SW1 OFF=24VDC. - Do Not Connect the Battery at this Time
- Switch ON the AC. The green LED will come ON, indicating AC is present, and the AC Fault Relay will be energized “ON” (closed). When the AC is off, the AC Fault Relay will drop open within 60 seconds (Factory set), activating the CMOS output contact “AC Fail”. Connect this output to relevant monitoring devices.
- Verify the DC output voltage is correct = 13.20VDC or 26.40VDC m ax. Blue DC LED will be ON to indicate DC output is OK.
- Yellow LED will be on, and the BAT FAULT CMOS relay will open, indicating the Battery is not present or connected with reversed polarity.
- Connect the Battery or Batteries, respecting the polarity. Battery shall not be connected if AC is not present first. If the battery is connected with the correct polarities, the Yellow LED will turn OFF (See Fault Conditions and Indications Table). Within one minute, the Battery Fault Relay will restore, and the Yellow LED will flash once every 2 seconds.
- If the battery is connected with the correct polarities, the Yellow LED will turn OFF (See Fault Conditions and Indications Table). Within one minute, the Battery Fault Relay will restore, and the Yellow LED will flash once every 2 seconds.
- If the battery is connected in reverse polarity, the Yellow LED will be ON. (See the Table Fault). The CMOS relay will open, indicating Battery Fault. Connect this output to the relevant monitoring devices.
- Connect the devices to be powered to the output terminals marked “Vo- Vo+”.
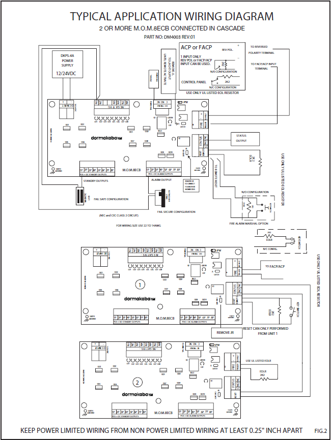
- See below for installation of M.O.M.8ECB needs 2 ELOR Resistors(2K2) provided. See Fig. 1 & Fig. 2.
- If a Tamper Switch is required, use part # TSW1-02 or TSW2-02, see Fig 3. Use 2K2 EOLR (end of line resistor) Part #EORL-PWX2K2.
- Connect the fault relays to FACP or ACP for trouble indication.
- Secure the enclosure with the provided key lock.
M.O.M.8ECB (Multiple Outputs Module)
Description
The M.O.M.8ECB is a distribution controller to be used with Access Control Systems and Egress Doors. It provides 12/24 VDC through 8 electronic over-current protected outputs, each rated max. 2 amp(max. total current = 4 amp), each with electronic overcurrent. The 8 outputs will switch ON or OFF security devices such as Magnetic Locks, Electric Strikes, etc. It is to be connected to FACP or ACP via a NO or NC configurable contact input with EOLR 2.2k Ohms. (Part #EOLR-PWX2K2) Also it has another input for Reversed Polarity triggering for older version of Fire Alarm Control Panel. The M.O.M.8ECB has 2 status relay output, one with Dry Contact “Form C” to indicate output status and One Dry Contact “Form C” to indicate DC Failure on any of the 8 outputs.
Installation
-
Output Connections
There are 8 selectable outputs suitable for FAIL Safe config and FAIL SECURE config.1) For fail-safe operation, connect the device positive to DC STANDBY OUPUT (+) on the M.O.M.8ECB. DC power is present in normal conditions and will switch OFF when the FACP/ACP or Rev. Pol input is triggered. Fail-safe operation devices, such as Magnetic Locks, should be connected to this output as shown on Fig. 1.
2) For Fail Secure operation, connect the device positive to DC ALARM OUTPUT (+) on the M.O.M.8ECB. DC power is not present in normal conditions and will switch ON when the FACP/ACP input is triggered. Fail Secure Operation Devices, such as Electric Strikes, should be connected to this output.
3) In either configuration, connect the negative of the device to the NEGATIVE terminal CN8. -
Fire Alarm and Access Control Interface Connection
Normally Open (NO), Normally Closed (NC) input or Polarity Reverse (Rev. Volt.) input are available to trigger the M.O.M.8ECB operation. Connect the positive (+) and Negative (-) from the FACP/ACP to the REV. VOLT terminals observing the polarity (polarity is referenced in alarm condition) or connect the NO or NC from the FACP/ACP output to the “Fire Trigger Terminals”. Install a 2K2 Ohms EOLR-PWX2K2 resistor at the FACP/ACP as shown in Fig 1. Note: No EOLR on Rev. Pol. -
Engineering RESET/REX Input
This option is available when the Jumper JL is removed(JL OFF). This will cause the M.O.M.8ECB to latch upon receiving an alarm from the FACP or ACP with this option in place. When the FIRE/ACP TRIGGER resets, M.O.M.8ECB will only reset by activating the RESET/REX input.
JL ON will cause the unit to follow the FIRE/ACP TRIGGER. Install the 2K2 EOLR (end of line resistor) #ELOR-PWX2K2 at the key switch or push button to perform this operation. -
Relay Output
a) DC Fail: DC output fail at one or more of the 8 outputs will cause the (DC FAIL) Trouble relay to open (De-energize). Connect this output to the monitoring device. (28Vdc, 300mA)
b) Status Out:put: The FACP or ACP or Rev. Pol input will cause the dry contact Relay “Form C” to open (de-energize). Connect this output to the monitoring device. (28Vdc, 300mA) -
Cascade Connection
Two(2) or more M.O.M.8ECB units (maximum 20) can be connected as follows: Connect the status output relay C and NC terminals from the 1st unit to the REMOTE RESET INPUT of the 2nd unit(not polarity sensitive) and remove the JR of the 1st unit. Install EOLR(2K2) on the 2nd unit Fire Trigger terminal. If a 3rd unit needs to be connected, the JR of the 2nd unit must be removed, and so on for any additional units. Ref to Fig.1.
NOTE: If Latch Mode is used, only JL jumper on the first unit must be removed. The Engineering Reset will be performed on the 1st unit. -
Reset Output on Power Up.
JPW, Jumper ON, will set the output OFF on Power Up or when a total loss of power occurs. To reset the power after powering back up, switch ON / OFF the Reset Key switch for 2 seconds. - M.O.M.8ECB LED Indication:
LD1 to LD8 RED LED when ON indicates that the output is ON (enable). When OFF, the output is OFF, NO DC present (disable). The cause could be Overload or short on the output. Note: all 8 outputs are current limited set at 2.5Amp, rated max 2.0Amp. LDF Fire Green Led is normally OFF. It will switch ON upon receiving an Input from the FACP/ACP. This LED will stay ON following the status of the FACP/ACP input. If JL was removed this LED will stay ON until the manual RESET circuit resets.
Figure 1
Figure 2
Figure 3