This power supply should be installed in compliance with the National Electrical Code(NFPA 70) CSA C22.1, Canadian Electrical Code, Part 1 and all applicable Local Codes. Installation to be performed by suitably qualified technical personnel.
Description
The DKPS-2A is a power supply/charger that supplies a total of 2.5 amps nominal continuous supply current at nominal 12/24VDC outputs. There are 4 outputs for Magnetic lock or door strike each with electronic over-current protection @ 2 Amp. It is installed in a large mild steel metal enclosure capable of accommodating two 7AH or 12AH lead-acid rechargeable batteries . These are monitored Power Supplies for use in Access Control and Egress Doors.
Listed under UL294, CAN/ULC-60839-11-1 and CAN/ULC-S533.
General Specifications
- Input = 100-240VAC, 50-60Hz. 2.4A Max draw.
- Output 2.5 Amps continuous supply current at Nominal 12/24 VDC controlled outputs and one auxiliary output.
- 4 Magnetic Lock or 4 Strikes outputs each, with electronic over-current protection set at 2 Amp.
- Built-in dedicated charger for sealed lead acid or gel cell type batteries.
- Maximum battery charging current 1 Amps
- Yellow LED for Battery Fault indication including charger failure monitor.
- Battery presence detection within 10 seconds.
- Battery load test every 48hr.
- Battery Charger test every 48hr.
- Battery Reversal protection.
- Low Battery indication at 11.40/22.80 Volts.
- Low Battery disconnect at 10.10/20.30 Volts.
- Automatic switch over to stand-by battery upon AC Failure.
- Common “Batt.Fault” CMOS relay for all battery and charger fault.
- AC input indication by Green LED. (LED on when AC is present).
- CMOS relay output for AC failure within 60 seconds.
- LEDs display on enclosure door (LEDs, Green, Yellow).
- Common “Out Fault” CMOS relay for DC failure on any of the 4 outputs.
- Battery charging leads included.
- Board Dimension: 195mm x 110mm
-
Enclosure Dimension: 338mm x 448mm x 110mm.
Technical Specifications
| Controlled Outputs (4) | Nominal 12 VDC or 24 VDC, Max. 500mA Each Max. 13.80 VDC oe 27.60 VDC, Min. 11.40 VDC or 22.80 VDC |
| Auxiliary Output | Nominal 12 VDC or 24 VDC, Max. 500mA Max. 13.90 VDC or 27.60 VDC, Min. 11.40 VDC or 22.80 VDC |
| Charging Current | Max. 1 Amp |
| Reset & Fire Trigger Input | Max. Wire Resistance 100 ohm |
| Operating Temperature | 0 deg. C to 49 deg. C |
Performance ratings
UL 297 Performance Levels:
| Model | Product Type | Line Security | Destructive Attack | Endurance | Standby Power |
|---|---|---|---|---|---|
| DKPS-2A | Power Supply | I | I | IV | III (when used with 7AH battery) IV (when used with 12AH battery) |
CAN/ULC-60839-11-1 Performance:
| Model | Product Type | Grade | Grade Achievement |
|---|---|---|---|
| DKPS-2A | Power Supply | 3 (when used with 7AH battery) 4 (when used with 12AH battery) |
To achieve Grade 3 or 4 connects, the Trouble AC & Battery Relay Outputs to a Grade 3 or 4 Control unit. |
LED Indications
- Green LED - AC Indicator
a) On when AC Present
b) The normally closed (NC) AC Fault COMS Relay activates (open) within 60 seconds after AC failure. - Blue LED - DC Power Indicator
a) Powered directly from the power supply DC output and indicated output is present. Blue LED will be OFF when no DC is present. - Yellow LED - Battery Charger and Fault Indicator
a) The Yellow LED indicates various Battery Fault Conditions and Indication. See the table Fault Condition. - Red LED - Battery Test Indicator
a) The Red LED indicates a Battery Test Failure or a Battery Charger Failure in conjunction with the Yellow LED to indicate other Fault Conditions. See the Fault Conditions and Indication Table for details. - Red LED on individual output indicator.
a) There are 4 Red LEDs indicating that the outputs are ON when lit.
Relay Outputs
| Output | Output Type | Description |
|---|---|---|
| AC Fail Relay | NORMALLY CLOSED OPEN=FAULT |
Trips within 60 seconds after AC Fails CMOS Relay Rating: 30VDC 60mA 16 OHMS |
| Battery Fail Relay | NORMALLY CLOSED OPEN = FAULT |
Battery Problem CMOS Relay rating: 30VDC 60mA 16 OHMS |
| DC Fail Relay | NORMALLY CLOSED OPEN = FAULT |
One of the 4 outputs shorted or overloaded CMOS Relay rating: 30VDC 60mA 16 OHMS |
| Status Output Relay FACP or ACP | FORM C | Trip when fire alarm is generated from FACP or Access Control Panel Dry Contact Relay Rating: 28VDC 300 mA, PF 1 |
Fault Conditions & Indications
| FAULT | LED-G | LY | LG | RED LED 5 | RED LED 1-4 | BATT RELAY | AC RELAY | STATUS OUT RELAY | DC RELAY |
|---|---|---|---|---|---|---|---|---|---|
| Battery Reversed or not connected | ON | OPEN | |||||||
| Battery Low | ON | OPEN | |||||||
| Battery Disconnected | ON | OPEN | |||||||
| Battery test Failed | ON | 5 Rapid Flashes Stop 1 second, repeate until battery is replaced | OPEN | ||||||
| Battery test OK | OFF | Three Flashes 1 Sec ON/OFF | |||||||
| AC Fail | OFF | Open Within 60 Sec | |||||||
| Output 1-4 Fail | OFF | Open | |||||||
| Fire/ACP Trigger Activated | OFF | OPEN | |||||||
| Reset/REX Triggered when Fire/ACP Trigger is not activated | OFF | OPEN | |||||||
| Battery Charger Fault | ON | 10 Flashes 2 Sec Stop Repeate Until Charger OK | Open |
Battery Operating Values
| Parameter | Value | Description |
|---|---|---|
| Battery Disconnect Voltage | 10.10 V 20.20V |
When AC is off, the battery is disconencted when the battery voltage drops below this value. The battery is only reconnected when the AC is restored. |
| Minimum battery voltage to pass battery test. | 11.50V 23.0V | Red LED Flash 1 sec ON/OFF during 2 minutes testing. Battery FAIL 5 rapid flashes and 1 sec pause. Replace Battery. |
| Low Battery Voltage Warning | 11.40V 22.80V |
If the output voltage drops below this value a voltage low warning is generated. See Fault Conditions and Indication table. |
Fire Alarm/Access Control Interface
- Normally Open (NO), Normally closed (NC) input from the FACP or ACP is available to trigger the DKPS-2A operation. Connect the NO or NC from the FACP or ACP output to the FIRE/ACP TRIGGER terminals. Install the 2K2 Ohm end of line resistor (EOLR) provided at the FACP or ACP as shown on the diagram. Fig. 1
REX/Engineering Reset Input
This option is available when the Jumper JL is removed (JL OFF). This will cause the DKPS-2A to latch upon receiving an alarm from the FACP-2A or ACP with this option in place when the FIRE/ACP TRIGGER resets, DKPS-2A will only reset by activating the RESET/REX input.
JL ON will cause the unit to follow the FIRE/ACP TRIGGER. Install the 2.2 Ohms RESISTOR, Part #EOLR-PWX2K2 provided at the Key Switch or push Button to perform this operation.
Reset Output on Power Up
To unlock Maglock on Power Up or total Power Loss, set the programming as follow:
(1) Remove power from the DKPS-2A.
(2) Remove Jumper JL.
(3) Power up the DKPS-2A.
(4) Insert the JL in and out 2 times 1 second apart, and notice the Green LED switching ON.
(5) To reset power to the Maglock Switch ON/OFF the Reset Key Switch for 2 seconds.
To lock the Maglock on Power Up set programming as follow:
(1) Remove power from the DKPS-2A and remove the Jumper JL.
(2) Insert the JL 3 times ON/OFF 1 second apart. Notice the Green LED switching OFF.
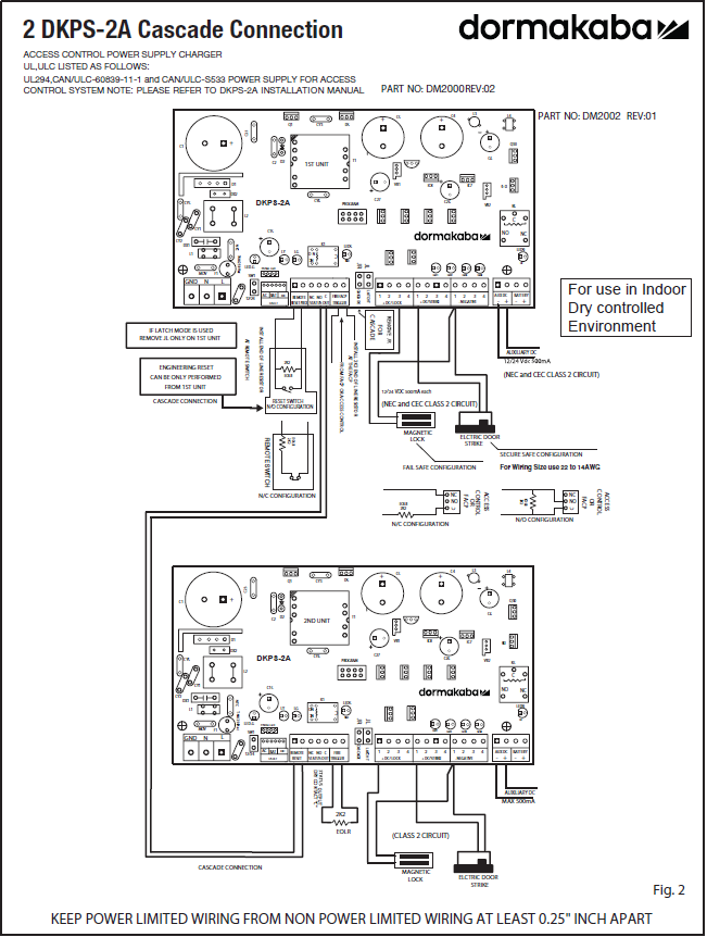
Cascade Connection
Two(2) or more DKPS-2A units can be connected together as follows:
Connect the STATUS OUTPUT relay C and NC terminals from the 1st unit to the RESET/REX input of the 2nd unit (not polarity sensitive) and remove jumper JR of the 1st unit. Install 2.2KOHM RESISTOR, PART #EOLR-PWX2K2 on 2nd unit FIRE/ACP TRIGGER. If a 3rd unit is used, JR must be removed from the 2nd unit and so on for any additional unit. Also, 2K2 EOLR must be installed on the 3rd unit and so on. Note: Maximum 20 units allowed.
NOTE: If Latch Mode is used, only JL jumper on the first unit must be removed. Engineering Reset will be performed from the 1st unit.
Installation Instructions
This power supply should be installed in compliance with the National Electrical Code(NFPA 70), CSA C22.1, Canadian Electrical Code, Part 1 and all applicable Local Codes. Installation to be performed by suitably qualified technical personnel.
- Mount the power supply in the desired location using the 4 mounting holes. NOTE: For use in an Indoor Protected Area with Controlled Environment only. Do not install the Power Supply in Exterior Conditions.
- With the Mains power disconnected, connect the leads to the AC Input Terminal Block, respecting the wiring phase and polarity :
Ground/Earth=Green/Yellow, Neutral = Blue (White), Live =Black (Brown). This equipment must be connected to the 100-240 Volt Mains via a readily dedicated accessible external disconnect device with maximum 15 Amp branch protection. Select the operating output DC voltage 12/24 wih the jumper. Jumper ON=12VDC, Jumper OFF=24VDC. - Do not connect the battery at this time.
- Switch ON the AC. The green LED will come ON, indicating AC is present, and the AC Fault Relay will be energized “ON” (closed). When the AC is off, the AC Fault Relay will drop open within 60 seconds (Factory set), activating the CMOS output contact “AC Fail”. Connect this output to relevant monitoring devices.
- Verify the DC output voltage is correct = 13.80VDC or 27.60VDC max. Blue DC LED will be ON to indicate DC output is OK.
- The yellow LED will be on and the BAT FAULT CMOS relay open, indicating the Battery is not present.
- Connect the Battery or Batteries, respecting the polarity. The battery shall not be connected if AC is not present first.
- If the battery is connected with the correct polarities, the Yellow LED will turn OFF (See Table Fault). Within one minute, the Battery Fault Relay will restore (Normally closed). Connect this output to relevant monitoring devices.
- If the battery is connected in reverse polarity, the Yellow LED will be ON. (See the Table Fault). The CMOS relay will open, indicating Battery Fault.
- Connect the devices to be powered to the output terminals +DC LOCK or +DC STRIKE and NEGATIVE(4 outputs). Connect the device to the auxiliary output terminal block -DC+.
- If a Tamper Switch is required, use part # TSW1-02 or TSW2-02, see Fig 3.
- Use EOLR (end of line resistor) Part #EOLR-PWX2K2
- Connect the fault relays to FACP or ACP for trouble indication.
- Secure the enclosure with the provided key lock
Figure 1
Figure 2
Figure 3