This article provides product images, dimensional drawings, and specifications for the RCI 990 oversized tamper-resistant handicap and exit buttons.
Product Images
| 990 E | 990 H |
Note: Exit or Handicap Label is included and positioning is determined by the installer.
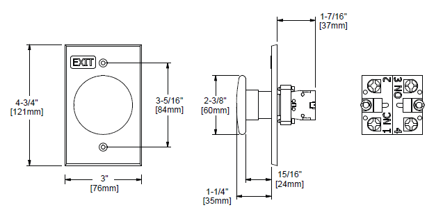
Dimensions
| Description | Switch Mode | Switch Configuration | Switch Rating | Standard |
|---|---|---|---|---|
| 990-MO Mushroom | Momentary Action | 1xSPST N/O & SPST N/C | 5A @ 24V UL/CSA | 28 or 40 with Red/Blue/Green Cap |
| 990-MA Mushroom | Maintained Action | 1xSPST N/O & SPST N/C | 5A @ 24V UL/CSA | 28 or 40 with Red/Blue/Green Cap |
| 990-TD Exit Button | Adj. Delay 1 Sec-34 hrs | DPDT N/O & N/C | 5A @ 24V UL/CSA | 28 or 40 with Red/Blue/Green Cap |